Um unsere Webseite für Sie optimal zu gestalten und fortlaufend verbessern zu können, verwenden wir Cookies. Durch die weitere Nutzung der Webseite stimmen Sie der Verwendung von Cookies zu. Weitere Informationen finden Sie auf unserer Seite Datenschutz & Cookies.

Akzeptieren

schiffsgetriebe

D-I Schiffsgetriebe

Menü-Modelle

DMT550H

  • Schiffswendegetriebe mit hydraulisch gesteuerten Mehrscheibenkupplungen.
  • Grauguss-Gehäuse, Varianten mit unterschiedlichem vertikalen Achsversatz und direkter Anflanschung.
  • Maximaler Drehmoment & Untersetzung in Vorwärtsgang und Ruekwaertsgang gleichermaßen.
  • Wartungsfreundlich & robuste Konstruktion.
  • Praezisionsverzahnung fuer Langlebigkeit und ruhiger Laufkultur.
  • Notlaufeigenschaft Go Home Funktion.
  • Verschiedene Betriebsanwendungen für leichte, mittelschwere und schwere Arbeitsschiffahrt und auch Freizeitboote.
  • Strenge Qualitätskontrollen nach ISO 9001.

DOWNLOADS

MAX HP EINGABE

Modell Untersetzungsverhältnis Max. Eingang Drehmoment (Kg,m) Max. Eingang rpm Power-rpm 1800 rpm 2100 rpm 2300 Trockengewicht (kg)
KwHpKwHpKwHpKwHp
DMT550H 1.43 551 2300 0.565 0.758 1018 1366 1188 1593 1301 1745 715
DMT550H 1.64 551 2300 0.565 0.758 1018 1366 1188 1593 1301 1745 715
DMT550H 1.81 551 2300 0.565 0.758 1018 1366 1188 1593 1301 1745 715
DMT550H 2.03 551 2300 0.565 0.758 1018 1366 1188 1593 1301 1745 715
DMT550H 2.33 537 2300 0.551 0.739 992 1331 1158 1553 1268 1701 715
DMT550H 2.60 485 2300 0.498 0.667 896 1202 1045 1402 1145 1535 715
DMT550H 2.91 404 2300 0.415 0.557 748 1003 872 1169 956 1282 715

SERIENAUSSTATTUNG

  • Gehäuse SAE #0, und SAE # 1.
  • Motorangepasste Gummikupplung.
  • Ölkühler mit Anode montiert auf Konsole.
  • Mounting brackets(Plate Type for welding) .
  • Propeller shaft flange .
  • Klemmteilen zur Verbindung der Steuerleitung.

OPTIONEN

  • Ventil-Laufwerk für Navigations bei niedriger Drehzahl.
  • Elektrische Control Valve.

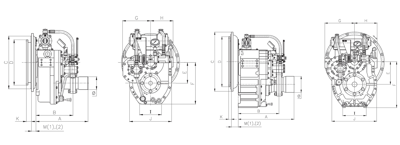
ABMESSUNGEN

DIMENSION
Model A B E F G H I J Ø
DMT550H 771 551 235 464 360 275 282 449 190
Model Housing Driving ring C D M (1) M (2) K
DMT550H SAE #0 18" 647 571 - 160 15
DMT550H SAE #0 14" 647 466 - - 25
DMT550H SAE#1 14" 511 466 - 122 25

SAE KUPPLUNG

No Sae Kupplung Ausgangskupplung K M
StandardGummiblocktypZweistufiger TypCenta Flexible Type
1 SAE#0 18" 15.7 - - 130.2
2 SAE#0 14" 25.4 - - 130.2
3 SAE#1 14" 25.4 - - 122